· Two way individually adjustable vertical curved blades on 1” spacing allows a wider spread of air to be achieved
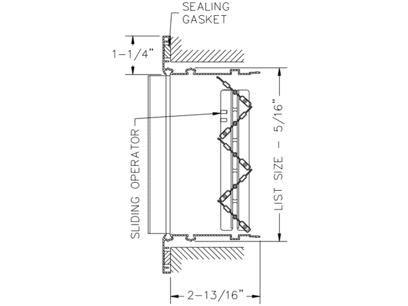
· Opposed Blade Damper with sliding operator
· Rollformed aluminum blade installed in an extruded aluminum frame
· Countersunk screw holes c/w painted mounting screws
· Sealing gasket to prevent steaking of walls or ceiling
· Custom sizes available but extra charge may apply
· Max blade length is 22”. Mullions used for larger sizes
· Durable powdercoat painted finish
Dayus products are made-to-order. They are NON-RETURNABLE. The minimum Dayus order amount is $45 which will be reflected in the basket. List dimensions are the hole measurements. Dayus grilles are undercut to fit inside the hole.
Friday Next Production means the order will ship not this Friday, but next Friday. Order must be placed before 1 pm PST Thursday.
UPS Shipping Zones ![]()

We're here Mon-Fri 8 am to 4:30 pm Pacific.