· Reinforced for floor use
· Opposed Blade Damper with handle operator built-in
· Fully extruded aluminum construction for a stylish appearance
· Fixed blades designed for long straight air throw
· Split air pattern with 0, 15 and 30 degree blades designed to spread the air evenly
· Durable powdercoat painted finish
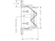
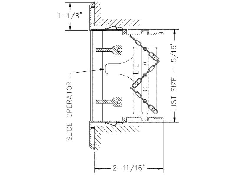
Dayus products are made-to-order. They are NON-RETURNABLE. The minimum Dayus order amount is $45 which will be reflected in the basket. List dimensions are the hole measurements. Dayus grilles are undercut to fit inside the hole.
Friday Next Production means the order will ship not this Friday, but next Friday. Order must be placed before 1 pm PST Thursday.
UPS Shipping Zones ![]()

We're here Mon-Fri 8 am to 4:30 pm Pacific.